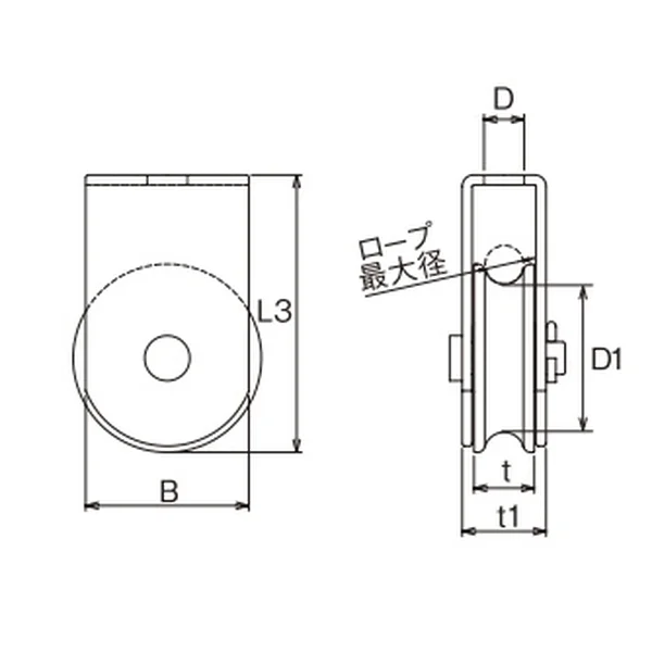
材質:SUS304 ブッシュ=青銅 シーブ=SCS13(SUS304相当)
| No. | サイズ(シーブ径) | ロープ最大径 | d | L3 | D1 | B | t | t1 | 重量(g) | 使用荷重(kg) |
|---|---|---|---|---|---|---|---|---|---|---|
| AK10040 | 50 | 14 | 12.8 | 75 | 36 | 45 | 20 | 29 | 360 | 300 |
| AK10041 | 75 | 16 | 16 | 110 | 59 | 65 | 24 | 33 | 820 | 550 |
| AK10042 | 100 | 22 | 19.2 | 132 | 78 | 90 | 28 | 37.5 | 1330 | 950 |
【キャンペーン・セール】 【ボート準備応援セール】ジョイクラフト 船外機セットを特別価格にて販売!【2026年5月31日まで】
【情報】 船具十一屋 お役立ち情報
造船・海運・港湾・水産・防災から 官庁対応まで、確かな経験と知識・技術で皆様をサポート! 行政官庁までご対応いたします。
材質:SUS304 ブッシュ=青銅 シーブ=SCS13(SUS304相当)
| No. | サイズ(シーブ径) | ロープ最大径 | d | L3 | D1 | B | t | t1 | 重量(g) | 使用荷重(kg) |
|---|---|---|---|---|---|---|---|---|---|---|
| AK10040 | 50 | 14 | 12.8 | 75 | 36 | 45 | 20 | 29 | 360 | 300 |
| AK10041 | 75 | 16 | 16 | 110 | 59 | 65 | 24 | 33 | 820 | 550 |
| AK10042 | 100 | 22 | 19.2 | 132 | 78 | 90 | 28 | 37.5 | 1330 | 950 |