• 20%割引~

BEP EZ バッテリースイッチ STD-Mnt (EZシリーズ)

商品管理番号 KO720201
メーカー・ブランド BEP|ビーイーピー
内訳
販売価格
(単価 × 入数)
注文数
基本送料

ON-OFFダブルポール

品番
720201
希望価格(税別)
23,200円
配送サイズ
50
割引率
20%割引
販売価格
(単価 × 入数)
18,560円(税込20,416円)
18,560円 × 1
注文数
在庫
メーカー取り寄せ
注文可能数
最小 1
最大 30
基本送料

4 ポジションスイッチ

品番
720202
希望価格(税別)
23,700円
配送サイズ
50
割引率
20%割引
販売価格
(単価 × 入数)
18,960円(税込20,856円)
18,960円 × 1
注文数
在庫
メーカー取り寄せ
注文可能数
最小 1
最大 30
※税込価格は目安です。最終的な消費税額は税抜合計額から計算されるため、変動する場合があります。

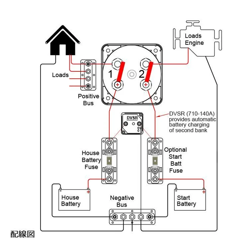
BEP社製 PRO インストラーシリーズ
イージマウント バッテリースイッチ

イージマウントはあらかじめベース部分を取り付けてから配線を行い、カバー(コントロールレ バー)部分を取り付けます。
接続・取り外しが従来と比較して格段に楽に素早く実行できます。

連続許容電流:400A
5分:600A
10秒:1500A
最大許容電圧:48V
スタッド:10mm x 4
サイズ:98 x 98 x 92mm

商品番号仕様・備考
720201

770-DP-EZ
ON-OFFダブルポール

+と-のバッテリーのケーブルを接続して、両回路を同時に接続、接断できます。
迷走電流を防ぎます。

重量:612g

720202

772-DBC-EZ
4 ポジションスイッチ
Off /1/1&2/Parallel

1: OFF
2: 1(ハウス回路)のみON
3: 1&2 ON ハウス回路とエンジン回路をそれぞれのバッテリーから接続
( 両回路は分離されている状態)
4: Parallel(1&2 ON ハウス回路とエンジン回路をON にして、バッテリーを相互に接続している状態)とします。

重量:544g

おすすめ商品RECOMMEND

商品レビューのご記入はこちら