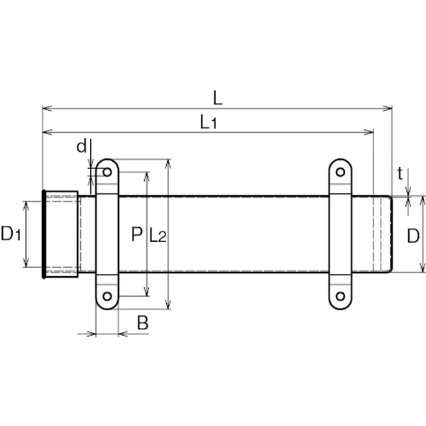
材質:SUS316 キャップ=ゴム
| No. | d | L | L1 | L2 | B | P | D | D1 | t | 重量(g) |
|---|---|---|---|---|---|---|---|---|---|---|
| AK3752 | 5.2 | 223 | 220.5 | 100 | 15 | 82.8 | 51 | 44 | 1 | 365 |
【お知らせ】 ゴールデンウィーク休日について
【キャンペーン・セール】 【ボート準備応援セール】ジョイクラフト 船外機セットを特別価格にて販売!【2026年5月31日まで】
【情報】 船具十一屋 お役立ち情報
造船・海運・港湾・水産・防災から 官庁対応まで、確かな経験と知識・技術で皆様をサポート! 行政官庁までご対応いたします。
材質:SUS316 キャップ=ゴム
| No. | d | L | L1 | L2 | B | P | D | D1 | t | 重量(g) |
|---|---|---|---|---|---|---|---|---|---|---|
| AK3752 | 5.2 | 223 | 220.5 | 100 | 15 | 82.8 | 51 | 44 | 1 | 365 |